标题:
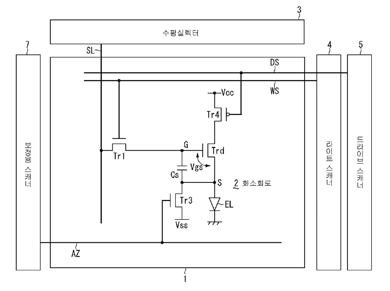
화소 회로 및 표시 장치
授权日:
2013-12-23
公开(公告)号:
KR101346339B1
申请日:
2006-11-14
公开(公告)日:
2014-01-02
当前申请(专利权)人:
소니 주식회사
发明人:
우치노카츠히데 | 야마시타준이치
简单同族:
CN101310318A | CN101310318B | CN101996578A | CN101996578B | JP2007133282A | JP5245195B2 | KR101346339B1 | KR1020080072819A | TW200731213A | TWI358708B | US10410585 | US20090251493A1 | US20140078130A1 | US20190180697A1 | US8654111 | WO2007055376A1
简单同族成员数量:
16
简单同族被引用专利总数:
119
诉讼案件数:
0
法律状态/事件:
授权