首页
专利数据库
产业人才
行业动态
产业政策法规
维权援助
个人中心
登录/注册
详情
文本
图像
标题:
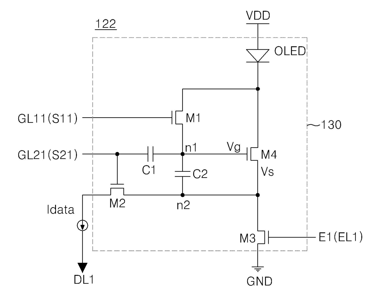
유기발광다이오드 표시소자 및 그 구동방법
授权日:
1900-01-01
公开(公告)号:
KR1020080002011A
申请日:
2006-06-30
公开(公告)日:
2008-01-04
当前申请(专利权)人:
엘지디스플레이 주식회사
发明人:
유준석
简单同族:
CN100570689C | CN101097680A | JP2008015451A | JP4477617B2 | KR101202040B1 | KR1020080002011A | US20080001857A1 | US7889160
简单同族成员数量:
8
简单同族被引用专利总数:
74
诉讼案件数:
0
法律状态/事件:
授权