首页
专利数据库
产业人才
行业动态
产业政策法规
维权援助
个人中心
登录/注册
详情
文本
图像
标题:
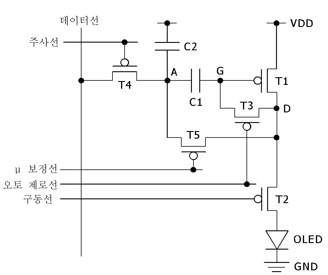
화소회로
授权日:
1900-01-01
公开(公告)号:
KR1020080018106A
申请日:
2007-08-16
公开(公告)日:
2008-02-27
当前申请(专利权)人:
소니 주식회사
发明人:
유모토아키라 | 아사노미쓰루 | 진타세이이치로
简单同族:
CN100559435C | CN101131802A | JP2008051960A | JP5261900B2 | KR101413198B1 | KR1020080018106A | TW200816146A | TWI375941B | US20080048955A1 | US7825880
简单同族成员数量:
10
简单同族被引用专利总数:
62
诉讼案件数:
0
法律状态/事件:
授权