首页
专利数据库
产业人才
行业动态
产业政策法规
维权援助
个人中心
登录/注册
详情
文本
图像
标题:
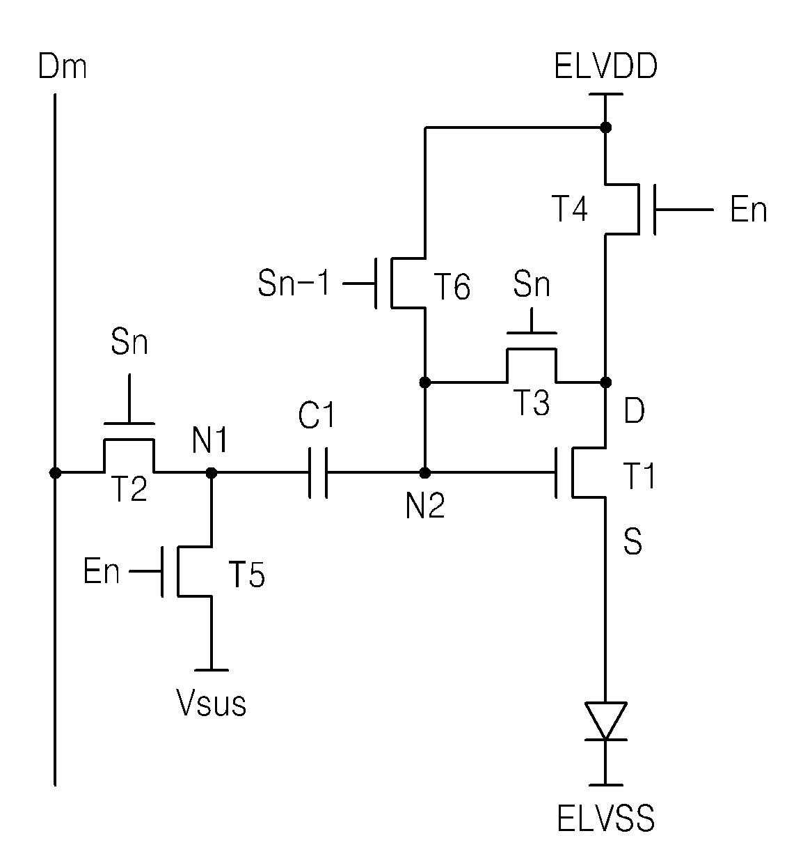
화소 회로, 유기 전계 발광 표시 장치
授权日:
1900-01-01
公开(公告)号:
KR1020110053709A
申请日:
2009-11-16
公开(公告)日:
2011-05-24
当前申请(专利权)人:
삼성모바일디스플레이주식회사
发明人:
CHUNG, KYUNG, HOON
简单同族:
KR101058115B1 | KR1020110053709A | US20110115764A1 | US8564512
简单同族成员数量:
4
简单同族被引用专利总数:
81
诉讼案件数:
0
法律状态/事件:
授权 | 权利转移