首页
专利数据库
产业人才
行业动态
产业政策法规
维权援助
个人中心
登录/注册
详情
文本
图像
标题:
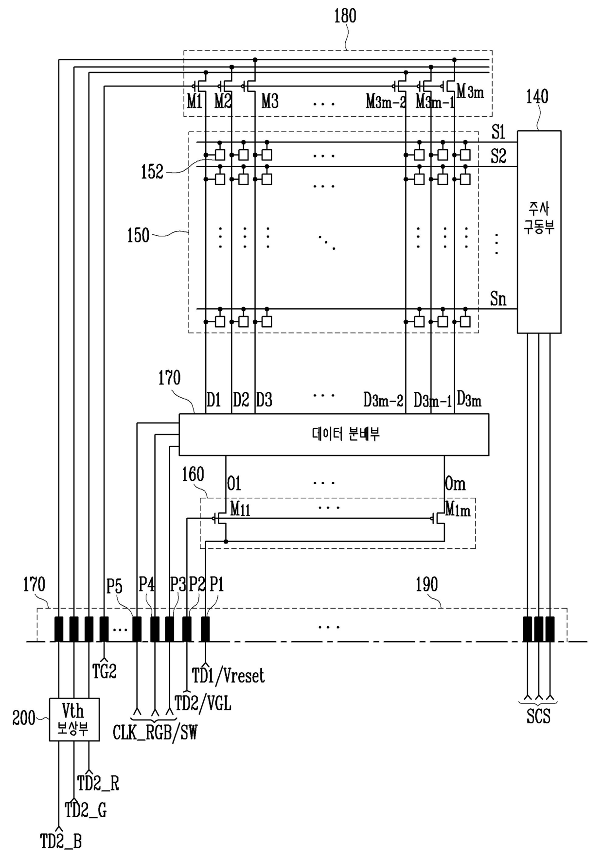
원장검사가 가능한 유기전계발광 표시장치의 모기판 및 그의 원장검사방법
授权日:
1900-01-01
公开(公告)号:
KR1020110037638A
申请日:
2009-10-07
公开(公告)日:
2011-04-13
当前申请(专利权)人:
삼성모바일디스플레이주식회사
发明人:
김광민 | 곽원규 | 가지현 | 한삼일
简单同族:
JP2011082130A | JP5031053B2 | KR101064403B1 | KR1020110037638A | TW201120852A | TWI546792B | US20110080173A1 | US8614591
简单同族成员数量:
8
简单同族被引用专利总数:
74
诉讼案件数:
0
法律状态/事件:
授权 | 权利转移