首页
专利数据库
产业人才
行业动态
产业政策法规
维权援助
个人中心
登录/注册
详情
文本
图像
标题:
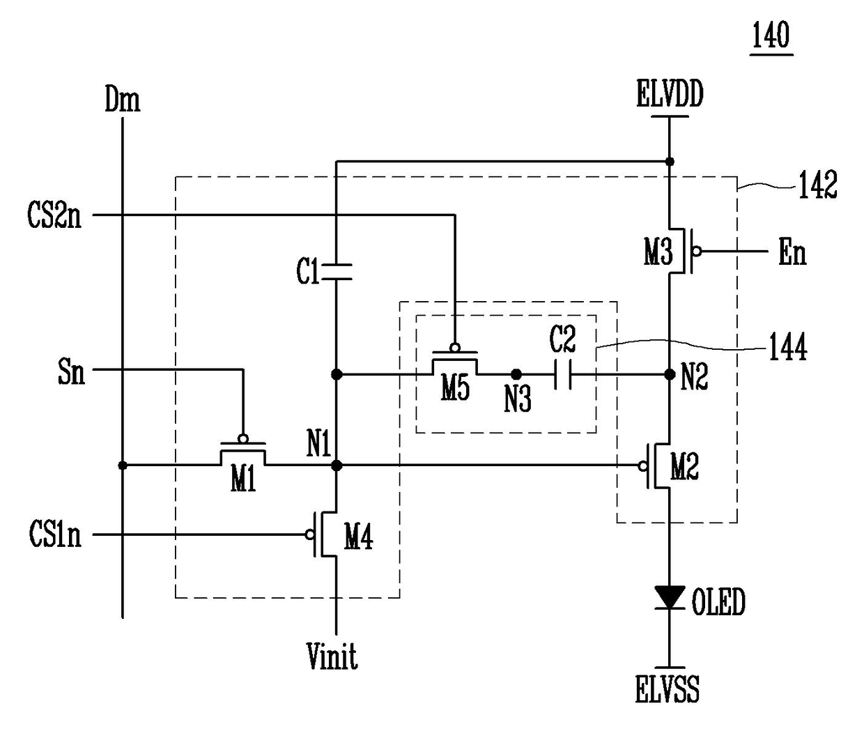
화소 및 이를 이용한 유기전계발광 표시장치
授权日:
2009-12-03
公开(公告)号:
KR100931469B1
申请日:
2008-02-28
公开(公告)日:
2009-12-11
当前申请(专利权)人:
삼성모바일디스플레이주식회사
发明人:
SANGMOO CHOI
简单同族:
KR100931469B1 | KR1020090093020A | US20090219232A1 | US8446344
简单同族成员数量:
4
简单同族被引用专利总数:
63
诉讼案件数:
0
法律状态/事件:
授权 | 权利转移