首页
专利数据库
产业人才
行业动态
产业政策法规
维权援助
个人中心
登录/注册
详情
文本
图像
标题:
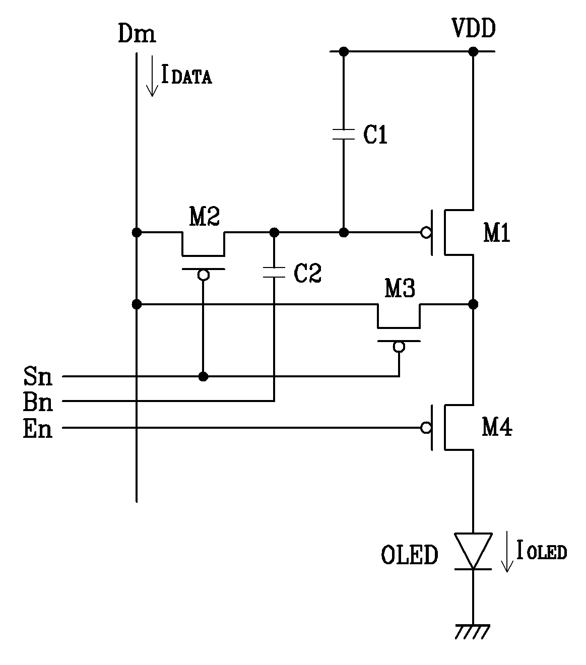
발광 표시 장치 및 그 표시 패널과 구동 방법
授权日:
1900-01-01
公开(公告)号:
KR1020050041088A
申请日:
2003-10-29
公开(公告)日:
2005-05-04
当前申请(专利权)人:
삼성에스디아이 주식회사
发明人:
신동용 | 김금남 | 류도형
简单同族:
CN100399399C | CN1684132A | JP2005134874A | JP5140232B2 | KR100515305B1 | KR1020050041088A | US20050093464A1 | US7129643
简单同族成员数量:
8
简单同族被引用专利总数:
110
诉讼案件数:
0
法律状态/事件:
未缴年费 | 权利转移