首页
专利数据库
产业人才
行业动态
产业政策法规
维权援助
个人中心
登录/注册
详情
文本
图像
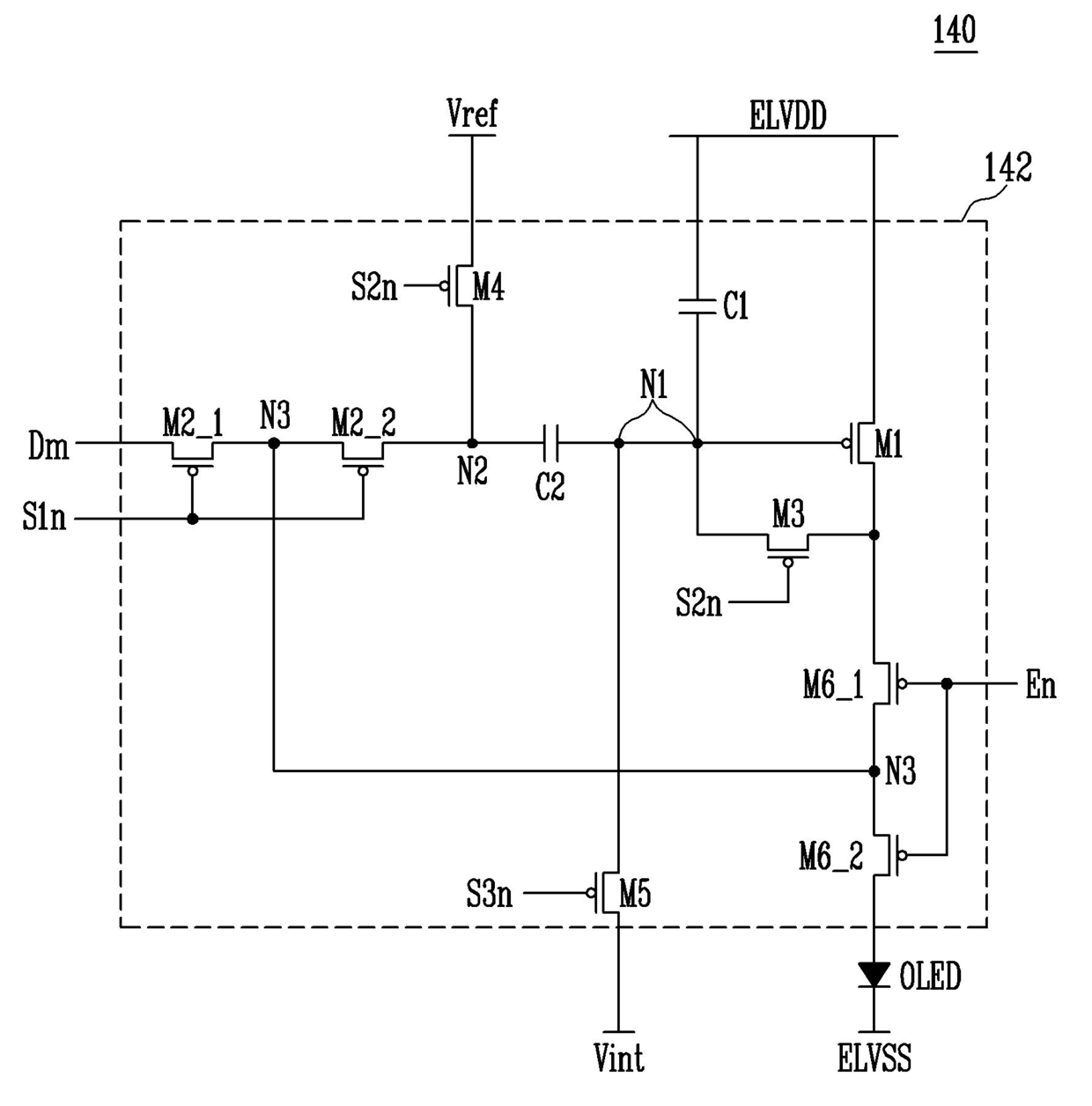
标题:
발명의 명칭 화소 및 이를 이용한 유기 전계발광 표시장치
授权日:
2012-06-28
公开(公告)号:
KR101162864B1
申请日:
2010-07-19
公开(公告)日:
2012-07-04
当前申请(专利权)人:
삼성모바일디스플레이주식회사
发明人:
한삼일
简单同族:
CN102339586A | CN102339586B | EP2410508A2 | EP2410508A3 | EP2410508B1 | JP2012027434A | JP5690557B2 | KR101162864B1 | KR1020120009579A | US20120013597A1 | US8957837
简单同族成员数量:
11
简单同族被引用专利总数:
74
诉讼案件数:
0
法律状态/事件:
授权 | 权利转移