首页
专利数据库
产业人才
行业动态
产业政策法规
维权援助
个人中心
登录/注册
详情
文本
图像
标题:
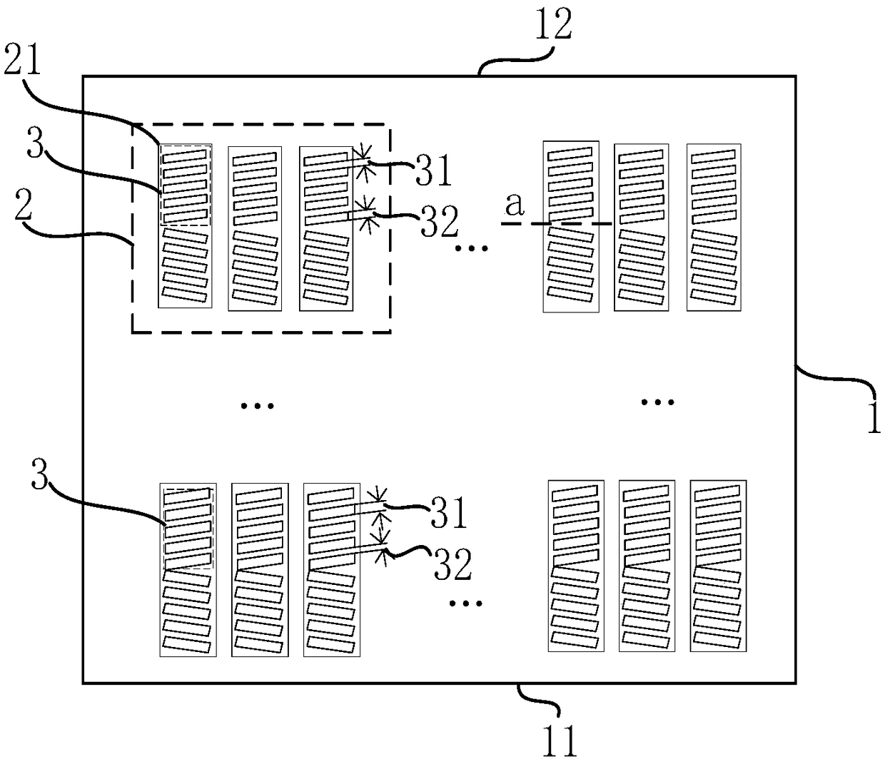
一种阵列基板、液晶显示面板以及显示装置
授权日:
1900-01-01
公开(公告)号:
CN108363251A
申请日:
2018-04-25
公开(公告)日:
2018-08-03
当前申请(专利权)人:
京东方科技集团股份有限公司 | 福州京东方光电科技有限公司
发明人:
姚丽清 | 林丽锋 | 方涛 | 宋聪
简单同族:
CN108363251A
简单同族成员数量:
1
简单同族被引用专利总数:
0
诉讼案件数:
0
法律状态/事件:
实质审查