首页
专利数据库
产业人才
行业动态
产业政策法规
维权援助
个人中心
登录/注册
详情
文本
图像
标题:
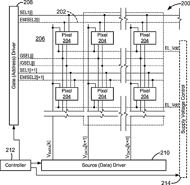
High resolution pixel architecture
授权日:
1900-01-01
公开(公告)号:
US20130112960A1
申请日:
2012-12-21
公开(公告)日:
2013-05-09
当前申请(专利权)人:
IGNIS INNOVATION INC.
发明人:
CHAJI, GHOLAMREZA | GUPTA, VASUDHA | NATHAN, AROKIA
简单同族:
US20130112960A1 | US20140312333A1 | US8803417 | US9059117
简单同族成员数量:
4
简单同族被引用专利总数:
111
诉讼案件数:
0
法律状态/事件:
授权 | 权利转移