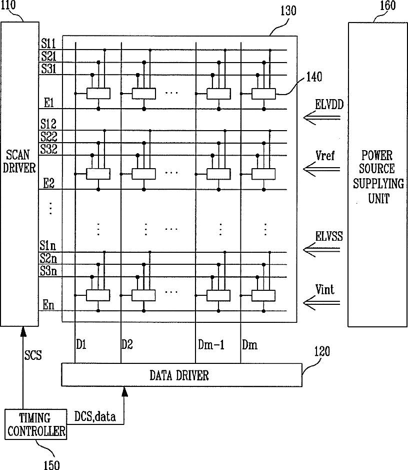
标题:
Pixel and organic light emitting display using the same
授权日:
1900-01-01
公开(公告)号:
US20120013597A1
申请日:
2011-02-22
公开(公告)日:
2012-01-19
当前申请(专利权)人:
SAMSUNG DISPLAY CO., LTD.
发明人:
HAN, SAM-IL
简单同族:
CN102339586A | CN102339586B | EP2410508A2 | EP2410508A3 | EP2410508B1 | JP2012027434A | JP5690557B2 | KR101162864B1 | KR1020120009579A | US20120013597A1 | US8957837
简单同族成员数量:
11
简单同族被引用专利总数:
74
诉讼案件数:
0
法律状态/事件:
授权 | 权利转移