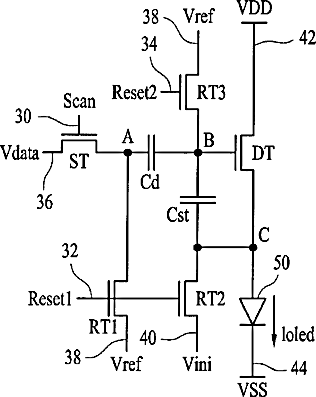
标题:
Pixel circuit of organic light emitting diode display device for compensating for a characteristic deviation of a driving thin film transistor
授权日:
2015-03-17
公开(公告)号:
US8982017
申请日:
2012-09-05
公开(公告)日:
2015-03-17
当前申请(专利权)人:
LG DISPLAY CO., LTD.
发明人:
LEE, YOUNG-HAK | KIM, GEUN-YOUNG
简单同族:
KR101859474B1 | KR1020130026338A | US20130057532A1 | US8982017
简单同族成员数量:
4
简单同族被引用专利总数:
75
诉讼案件数:
0
法律状态/事件:
授权 | 权利转移