首页
专利数据库
产业人才
行业动态
产业政策法规
维权援助
个人中心
登录/注册
详情
文本
图像
标题:
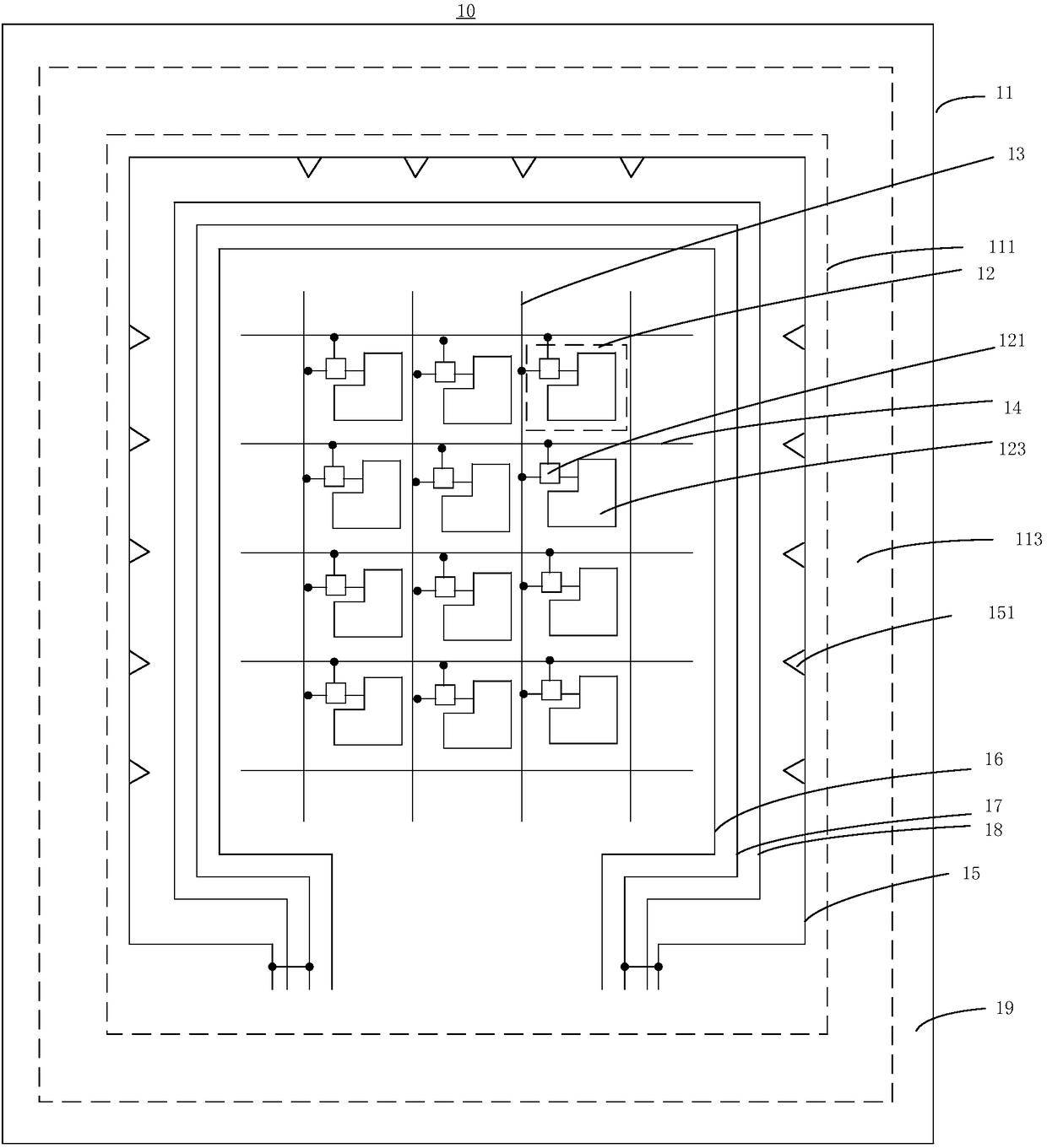
主动开关阵列基板及液晶显示面板
授权日:
2018-08-17
公开(公告)号:
CN207742445U
申请日:
2017-09-22
公开(公告)日:
2018-08-17
当前申请(专利权)人:
惠科股份有限公司
发明人:
何怀亮
简单同族:
CN207742445U
简单同族成员数量:
1
简单同族被引用专利总数:
0
诉讼案件数:
0
法律状态/事件:
授权