首页
专利数据库
产业人才
行业动态
产业政策法规
维权援助
个人中心
登录/注册
详情
文本
图像
标题:
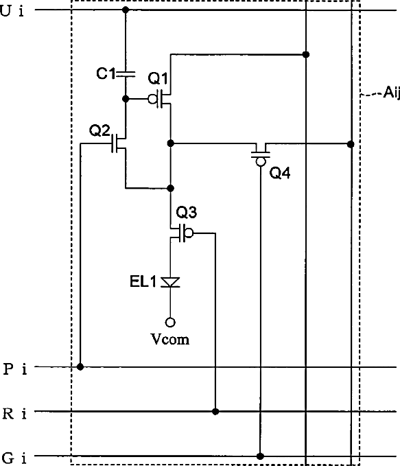
Display device and method for driving the same
授权日:
1900-01-01
公开(公告)号:
US20060044244A1
申请日:
2005-07-19
公开(公告)日:
2006-03-02
当前申请(专利权)人:
SHARP KABUSHIKI KAISHA
发明人:
NUMAO, TAKAJI
简单同族:
JP2006071919A | JP4160032B2 | US20060044244A1 | US7443367
简单同族成员数量:
4
简单同族被引用专利总数:
67
诉讼案件数:
0
法律状态/事件:
授权 | 权利转移