首页
专利数据库
产业人才
行业动态
产业政策法规
维权援助
个人中心
登录/注册
详情
文本
图像
标题:
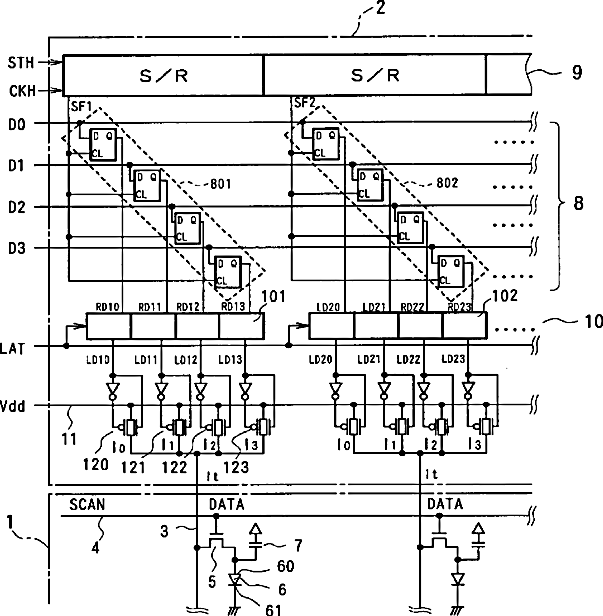
Active type EL display device capable of displaying digital video signal
授权日:
2003-04-29
公开(公告)号:
US6556176
申请日:
2000-03-24
公开(公告)日:
2003-04-29
当前申请(专利权)人:
SANYO ELECTRIC CO., LTD.
发明人:
OKUYAMA, MASAHIRO | KOMIYA, NAOAKI
简单同族:
JP2000276108A | KR1020010014615A | TW525405B | US6556176
简单同族成员数量:
4
简单同族被引用专利总数:
112
诉讼案件数:
0
法律状态/事件:
期限届满 | 权利转移