首页
专利数据库
产业人才
行业动态
产业政策法规
维权援助
个人中心
登录/注册
详情
文本
图像
标题:
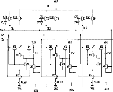
Organic light emitting display
授权日:
2009-07-07
公开(公告)号:
US7557783
申请日:
2005-09-14
公开(公告)日:
2009-07-07
当前申请(专利权)人:
SAMSUNG DISPLAY CO., LTD.
发明人:
KIM, YANG WAN
简单同族:
KR100602361B1 | KR1020060027023A | US20060071884A1 | US7557783
简单同族成员数量:
4
简单同族被引用专利总数:
101
诉讼案件数:
0
法律状态/事件:
授权 | 权利转移