首页
专利数据库
产业人才
行业动态
产业政策法规
维权援助
个人中心
登录/注册
详情
文本
图像
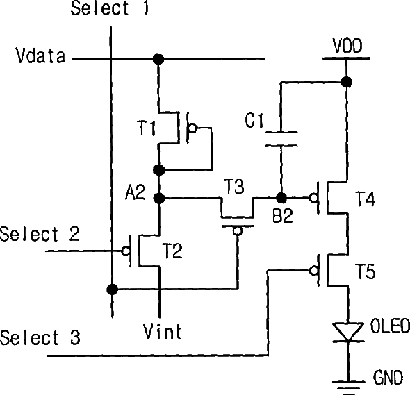
标题:
Organic light emitting display
授权日:
2008-08-12
公开(公告)号:
US7411571
申请日:
2005-04-29
公开(公告)日:
2008-08-12
当前申请(专利权)人:
LG DISPLAY CO., LTD.
发明人:
HUH, JIN
简单同族:
CN100558204C | CN1735293A | JP2006053535A | KR101087417B1 | KR1020060014966A | US20060033449A1 | US7411571
简单同族成员数量:
7
简单同族被引用专利总数:
133
诉讼案件数:
0
法律状态/事件:
授权 | 权利转移