首页
专利数据库
产业人才
行业动态
产业政策法规
维权援助
个人中心
登录/注册
详情
文本
图像
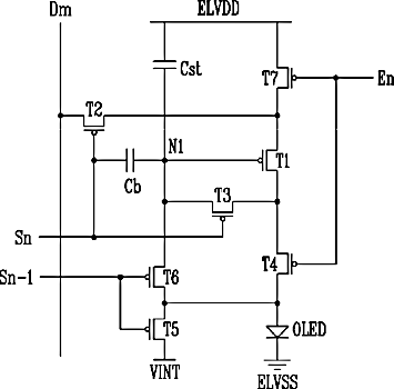
标题:
Organic light emitting display device and pixel circuit
授权日:
2014-04-01
公开(公告)号:
US8686926
申请日:
2010-12-14
公开(公告)日:
2014-04-01
当前申请(专利权)人:
SAMSUNG DISPLAY CO., LTD.
发明人:
HAN, SAM-IL | JEONG, JIN-TAE
简单同族:
KR101152580B1 | KR1020120002071A | US20120001896A1 | US8686926
简单同族成员数量:
4
简单同族被引用专利总数:
91
诉讼案件数:
0
法律状态/事件:
授权 | 权利转移