标题:
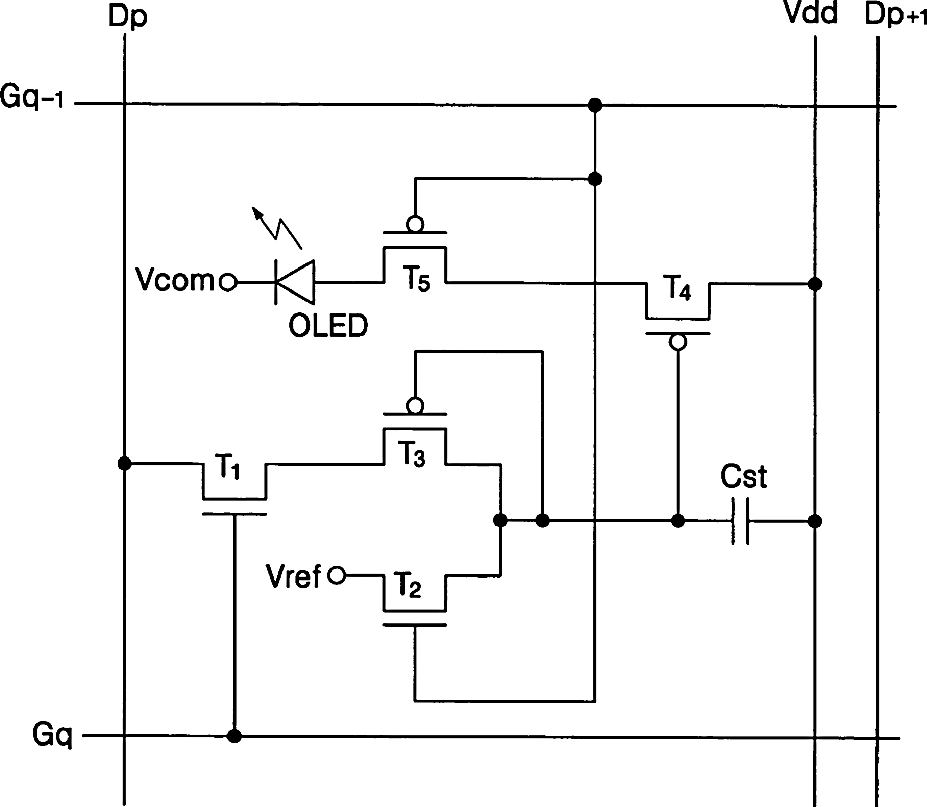
Organic light emitting display device and method of fabricating the same
授权日:
1900-01-01
公开(公告)号:
US20040056828A1
申请日:
2003-09-22
公开(公告)日:
2004-03-25
当前申请(专利权)人:
SAMSUNG DISPLAY CO., LTD.
发明人:
CHOI, JOON-HOO | CHAI, CHONG-CHUL | CHOI, BEOHM-ROCK
简单同族:
CN100354908C | CN1510652A | JP2004118196A | JP4854177B2 | KR100906964B1 | KR1020040029242A | TW200414818A | TWI333390B | US20040056828A1 | US20080106208A1 | US7224334
简单同族成员数量:
11
简单同族被引用专利总数:
138
诉讼案件数:
0
法律状态/事件:
授权 | 权利转移