标题:
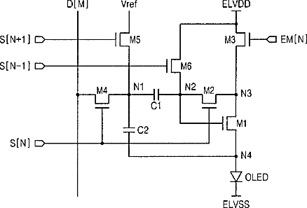
Pixel circuit configured to perform initialization and compensation at different time periods and organic electroluminescent display including the same
授权日:
2014-05-27
公开(公告)号:
US8736523
申请日:
2010-07-08
公开(公告)日:
2014-05-27
当前申请(专利权)人:
SAMSUNG DISPLAY CO., LTD.
发明人:
CHUNG, BO-YONG | KIM, KEUM-NAM
简单同族:
KR101030002B1 | KR1020110038393A | US20110084947A1 | US8736523
简单同族成员数量:
4
简单同族被引用专利总数:
67
诉讼案件数:
0
法律状态/事件:
授权 | 权利转移