首页
专利数据库
产业人才
行业动态
产业政策法规
维权援助
个人中心
登录/注册
详情
文本
图像
标题:
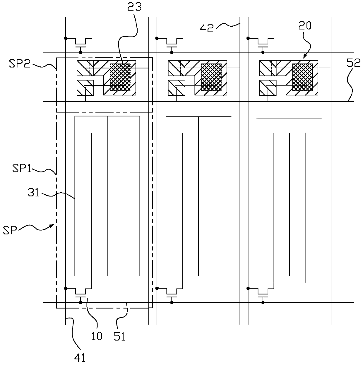
阵列基板及其制备方法和触控液晶显示装置
授权日:
1900-01-01
公开(公告)号:
CN111399292A
申请日:
2020-04-09
公开(公告)日:
2020-07-10
当前申请(专利权)人:
昆山龙腾光电股份有限公司
发明人:
刘仕彬 | 钟德镇 | 廖家德 | 郑会龙
简单同族:
CN111399292A
简单同族成员数量:
1
简单同族被引用专利总数:
0
诉讼案件数:
0
法律状态/事件:
公开