首页
专利数据库
产业人才
行业动态
产业政策法规
维权援助
个人中心
登录/注册
详情
文本
图像
标题:
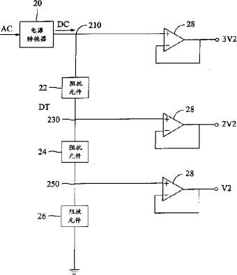
液晶显示器多电源供应装置
授权日:
1900-01-01
公开(公告)号:
CN1459650A
申请日:
2002-05-17
公开(公告)日:
2003-12-03
当前申请(专利权)人:
神达电脑股份有限公司
发明人:
许世发
简单同族:
CN1459650A
简单同族成员数量:
1
简单同族被引用专利总数:
0
诉讼案件数:
0
法律状态/事件:
撤回