首页
专利数据库
产业人才
行业动态
产业政策法规
维权援助
个人中心
登录/注册
详情
文本
图像
标题:
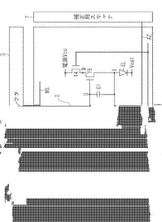
画素回路
授权日:
1900-01-01
公开(公告)号:
JP2007148128A
申请日:
2005-11-29
公开(公告)日:
2007-06-14
当前申请(专利权)人:
ソニー株式会社
发明人:
内野 勝秀 | 山下 淳一 | 山本 哲郎
简单同族:
JP2007148128A
简单同族成员数量:
1
简单同族被引用专利总数:
64
诉讼案件数:
0
法律状态/事件:
驳回