首页
专利数据库
产业人才
行业动态
产业政策法规
维权援助
个人中心
登录/注册
详情
文本
图像
标题:
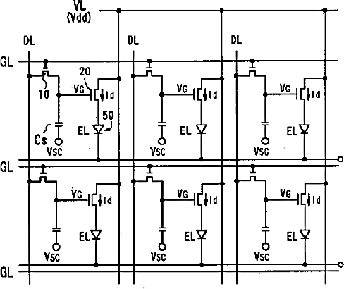
表示装置
授权日:
1900-01-01
公开(公告)号:
JP2002251167A
申请日:
2001-02-26
公开(公告)日:
2002-09-06
当前申请(专利权)人:
三洋電機株式会社
发明人:
古宮 直明
简单同族:
CN1249658C | CN1372240A | EP1237143A2 | EP1237143A3 | JP2002251167A | KR1020020069488A | TW520613B | US20020175635A1 | US6690117
简单同族成员数量:
9
简单同族被引用专利总数:
95
诉讼案件数:
0
法律状态/事件:
驳回