首页
专利数据库
产业人才
行业动态
产业政策法规
维权援助
个人中心
登录/注册
详情
文本
图像
标题:
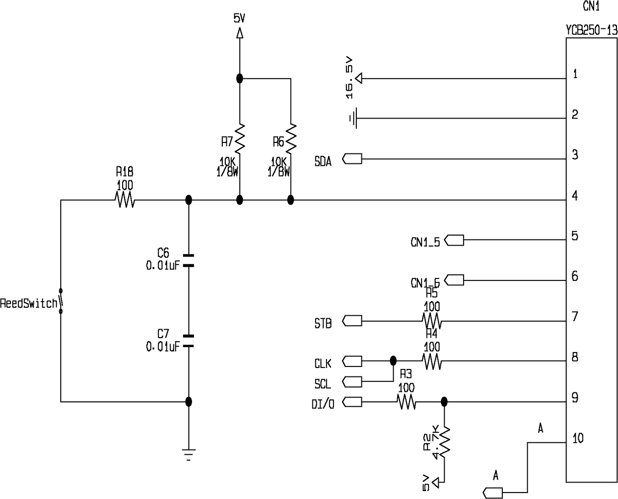
LCD显示系统
授权日:
2011-08-31
公开(公告)号:
CN201956044U
申请日:
2010-12-07
公开(公告)日:
2011-08-31
当前申请(专利权)人:
南京乐金熊猫电器有限公司
发明人:
高宁
简单同族:
CN201956044U
简单同族成员数量:
1
简单同族被引用专利总数:
0
诉讼案件数:
0
法律状态/事件:
未缴年费