首页
专利数据库
产业人才
行业动态
产业政策法规
维权援助
个人中心
登录/注册
详情
文本
图像
标题:
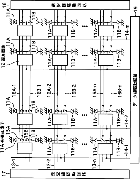
アクティブマトリクス型表示装置およびアクティブマトリクス型有機エレクトロルミネッセンス表示装置
授权日:
1900-01-01
公开(公告)号:
JP2003122306A
申请日:
2001-10-10
公开(公告)日:
2003-04-25
当前申请(专利权)人:
ソニー株式会社
发明人:
湯本 昭
简单同族:
JP2003122306A
简单同族成员数量:
1
简单同族被引用专利总数:
96
诉讼案件数:
0
法律状态/事件:
撤回