首页
专利数据库
产业人才
行业动态
产业政策法规
维权援助
个人中心
登录/注册
详情
文本
图像
标题:
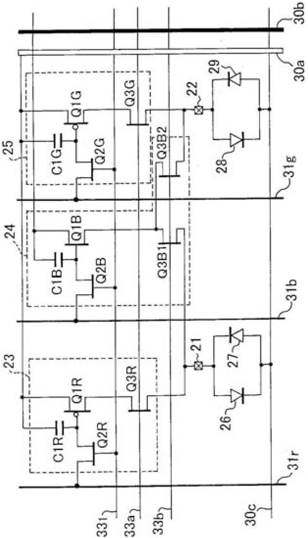
アクティブマトリックス型表示装置及びその駆動方法
授权日:
1900-01-01
公开(公告)号:
JP2010008907A
申请日:
2008-06-30
公开(公告)日:
2010-01-14
当前申请(专利权)人:
キヤノン株式会社
发明人:
川野 藤雄 | 井関 正己 | 永山 耕平 | 佐藤 信彦 | 三村 敏彦
简单同族:
JP2010008907A
简单同族成员数量:
1
简单同族被引用专利总数:
0
诉讼案件数:
0
法律状态/事件:
撤回