首页
专利数据库
产业人才
行业动态
产业政策法规
维权援助
个人中心
登录/注册
详情
文本
图像
标题:
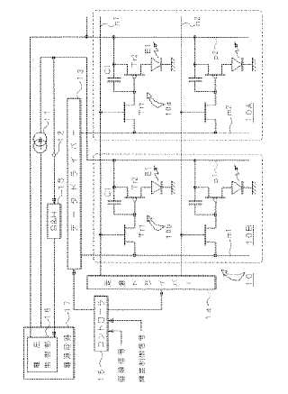
アクティブ駆動型発光表示装置およびその駆動制御方法
授权日:
1900-01-01
公开(公告)号:
JP2004252036A
申请日:
2003-02-19
公开(公告)日:
2004-09-09
当前申请(专利权)人:
東北パイオニア株式会社
发明人:
吉田 孝義
简单同族:
CN100378778C | CN1523558A | EP1450345A2 | JP2004252036A | JP4571375B2 | KR100959085B1 | KR1020040074607A | TW200416664A | TWI234757B | US20040160395A1 | US7248255
简单同族成员数量:
11
简单同族被引用专利总数:
66
诉讼案件数:
0
法律状态/事件:
授权