首页
专利数据库
产业人才
行业动态
产业政策法规
维权援助
个人中心
登录/注册
详情
文本
图像
标题:
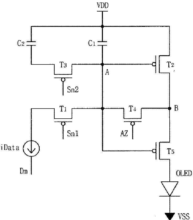
有機電界発光表示装置の画素回路
授权日:
1900-01-01
公开(公告)号:
JP2007310346A
申请日:
2006-11-30
公开(公告)日:
2007-11-29
当前申请(专利权)人:
エルジー ディスプレイ カンパニー リミテッド
发明人:
安 泰 濬 | 鄭 湘 勲
简单同族:
CN100538797C | CN101075407A | JP2007310346A | JP4805796B2 | KR101197768B1 | KR1020070111634A | TW200744036A | TWI354251B | US20070268217A1 | US7839364
简单同族成员数量:
10
简单同族被引用专利总数:
67
诉讼案件数:
0
法律状态/事件:
授权