首页
专利数据库
产业人才
行业动态
产业政策法规
维权援助
个人中心
登录/注册
详情
文本
图像
标题:
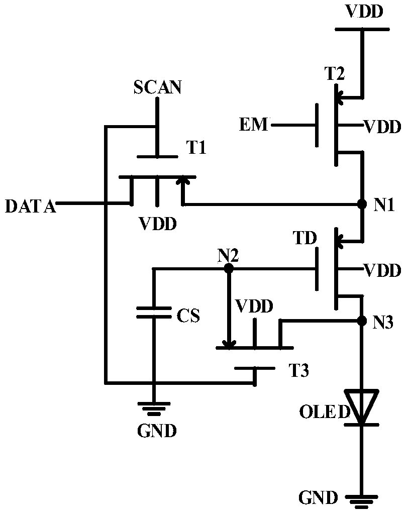
一种提高硅基OLED微显示器电流稳定性的像素电路和方法
授权日:
1900-01-01
公开(公告)号:
CN109166525A
申请日:
2018-10-15
公开(公告)日:
2019-01-08
当前申请(专利权)人:
东南大学
发明人:
李晨 | 赖良德
简单同族:
CN109166525A
简单同族成员数量:
1
简单同族被引用专利总数:
0
诉讼案件数:
0
法律状态/事件:
实质审查