首页
专利数据库
产业人才
行业动态
产业政策法规
维权援助
个人中心
登录/注册
详情
文本
图像
标题:
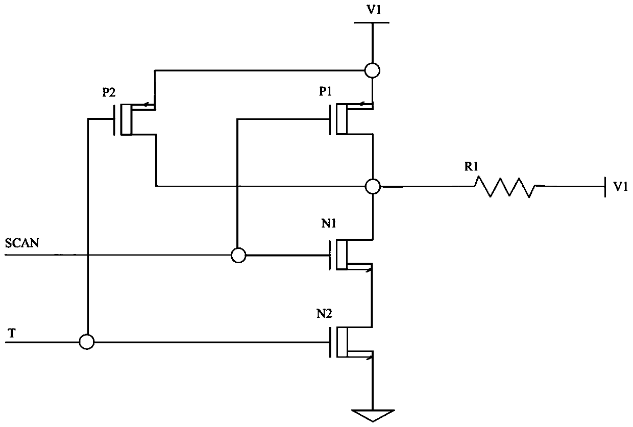
像素电路、具有该像素电路的OLED显示面板及其控制方法
授权日:
1900-01-01
公开(公告)号:
CN110942751A
申请日:
2019-12-28
公开(公告)日:
2020-03-31
当前申请(专利权)人:
江苏集萃有机光电技术研究所有限公司
发明人:
庾露露 | 王龙 | 祝晓钊 | 冯敏强
简单同族:
CN110942751A
简单同族成员数量:
1
简单同族被引用专利总数:
0
诉讼案件数:
0
法律状态/事件:
实质审查