首页
专利数据库
产业人才
行业动态
产业政策法规
维权援助
个人中心
登录/注册
详情
文本
图像
标题:
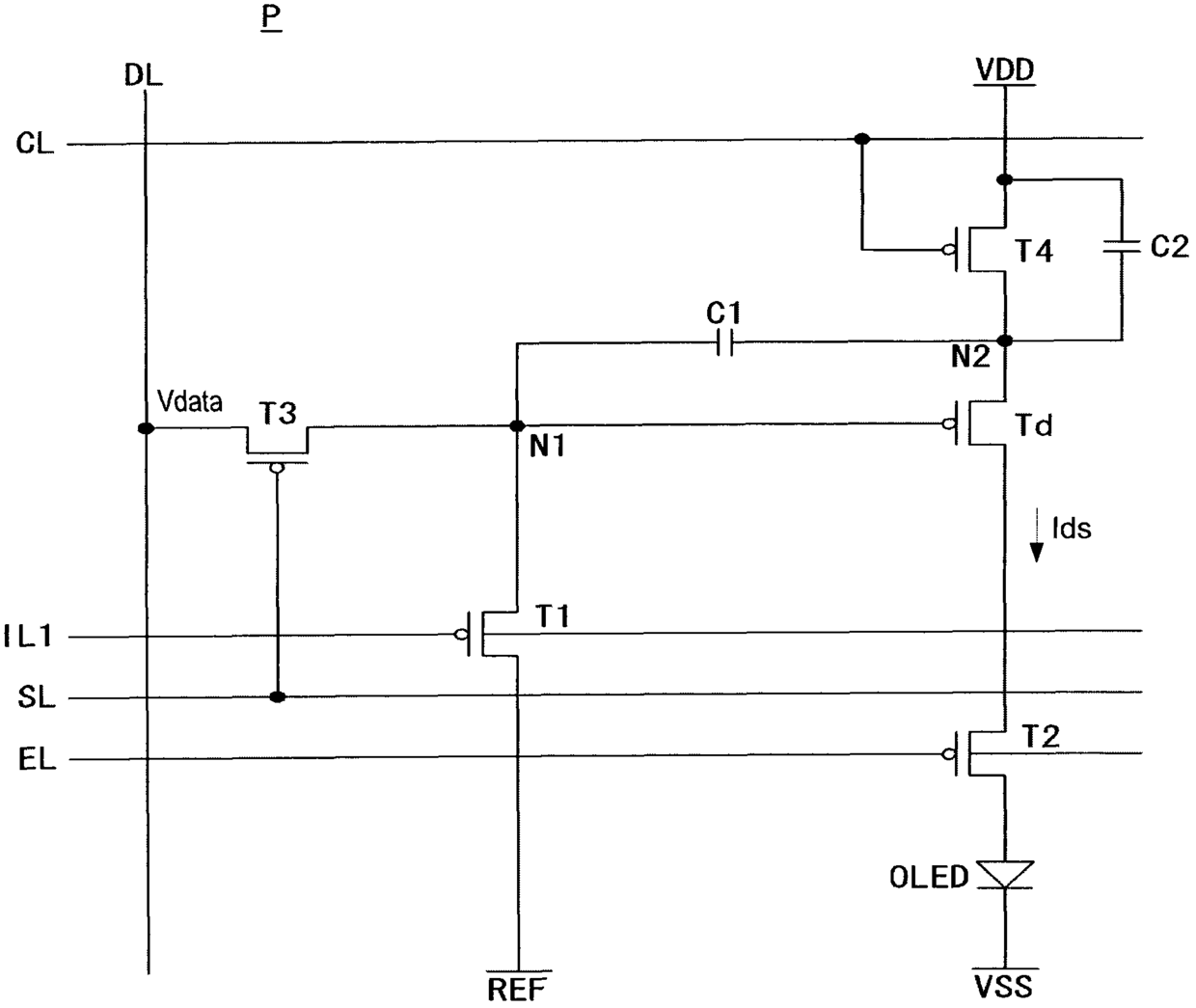
有机发光二极管显示装置
授权日:
2015-12-16
公开(公告)号:
CN102956192B
申请日:
2012-03-16
公开(公告)日:
2015-12-16
当前申请(专利权)人:
乐金显示有限公司
发明人:
韩仁孝 | 李玹行 | 韩成晚
简单同族:
CN102956192A | CN102956192B | DE102012105107A1 | DE102012105107A9 | DE102012105107B4 | GB201206846D0 | GB2493800A | GB2493800B | KR101396004B1 | KR1020130019620A | US20130043802A1 | US9123294
简单同族成员数量:
12
简单同族被引用专利总数:
66
诉讼案件数:
0
法律状态/事件:
授权