首页
专利数据库
产业人才
行业动态
产业政策法规
维权援助
个人中心
登录/注册
详情
文本
图像
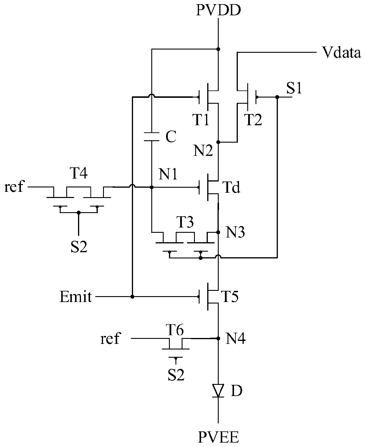
标题:
有机发光显示面板和显示装置
授权日:
1900-01-01
公开(公告)号:
CN111091783A
申请日:
2019-12-24
公开(公告)日:
2020-05-01
当前申请(专利权)人:
上海天马有机发光显示技术有限公司
发明人:
杨帅 | 李玥 | 刘志 | 周星耀
简单同族:
CN111091783A
简单同族成员数量:
1
简单同族被引用专利总数:
0
诉讼案件数:
0
法律状态/事件:
实质审查