首页
专利数据库
产业人才
行业动态
产业政策法规
维权援助
个人中心
登录/注册
详情
文本
图像
标题:
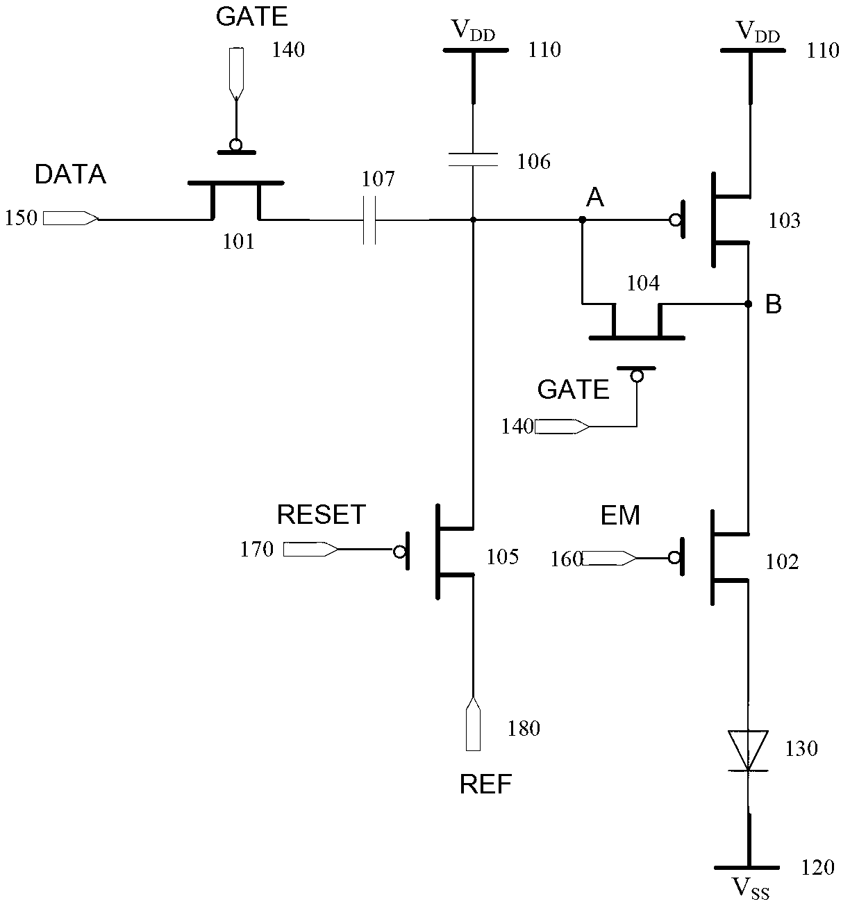
像素电路及驱动方法、显示装置
授权日:
1900-01-01
公开(公告)号:
CN102930824A
申请日:
2012-11-13
公开(公告)日:
2013-02-13
当前申请(专利权)人:
京东方科技集团股份有限公司
发明人:
王颖
简单同族:
CN102930824A | CN102930824B
简单同族成员数量:
2
简单同族被引用专利总数:
68
诉讼案件数:
0
法律状态/事件:
授权