首页
专利数据库
产业人才
行业动态
产业政策法规
维权援助
个人中心
登录/注册
详情
文本
图像
标题:
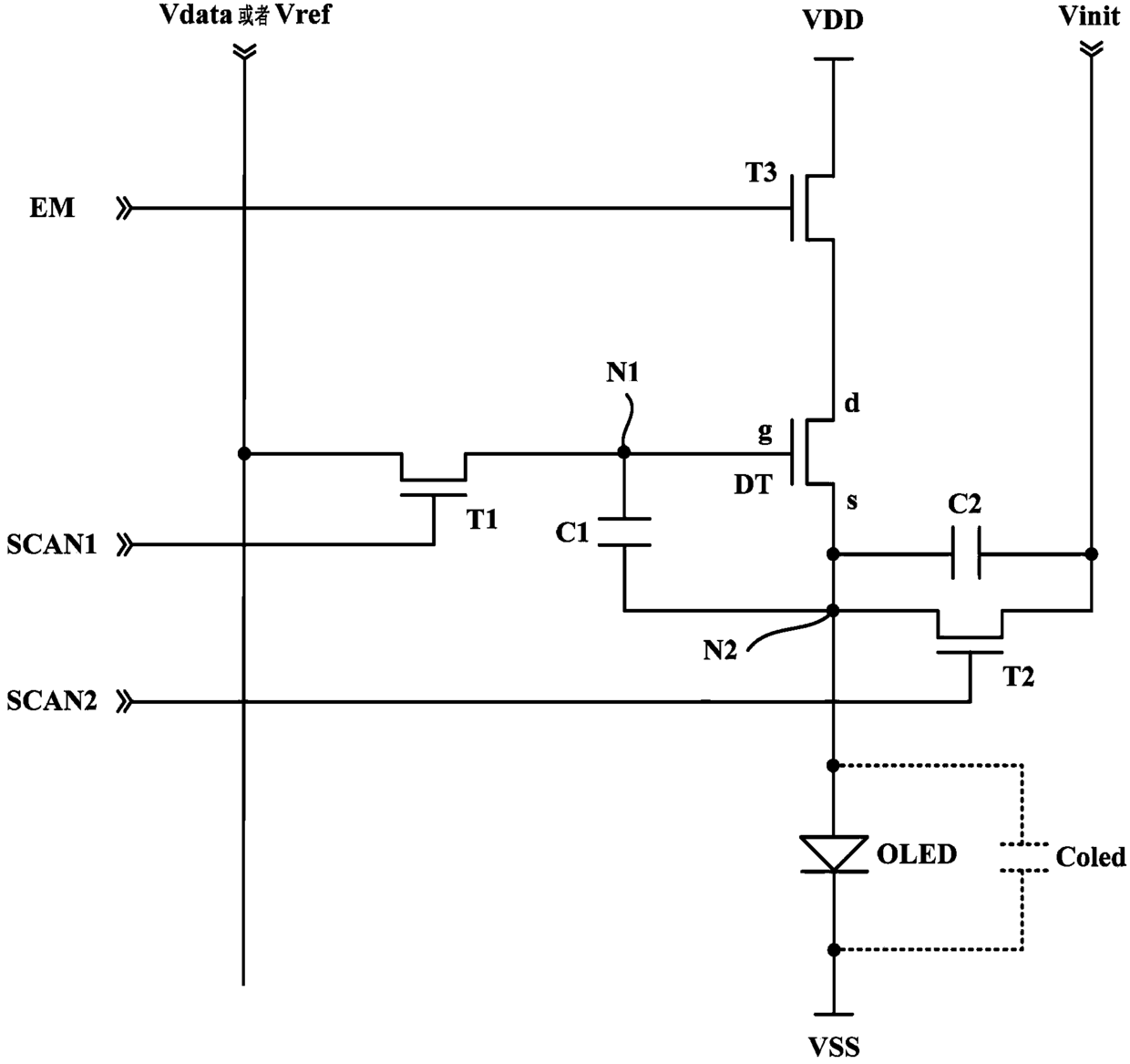
有机发光二极管显示装置及其驱动方法
授权日:
1900-01-01
公开(公告)号:
CN103915061A
申请日:
2013-12-25
公开(公告)日:
2014-07-09
当前申请(专利权)人:
乐金显示有限公司
发明人:
尹相勋 | 李定忞
简单同族:
CN103915061A | CN103915061B | DE102013114348A1 | DE102013114348B4 | GB201322019D0 | GB2510481A | GB2510481B | KR101970574B1 | KR1020140086467A | US20140184665A1 | US9224335
简单同族成员数量:
11
简单同族被引用专利总数:
61
诉讼案件数:
0
法律状态/事件:
授权