首页
专利数据库
产业人才
行业动态
产业政策法规
维权援助
个人中心
登录/注册
详情
文本
图像
标题:
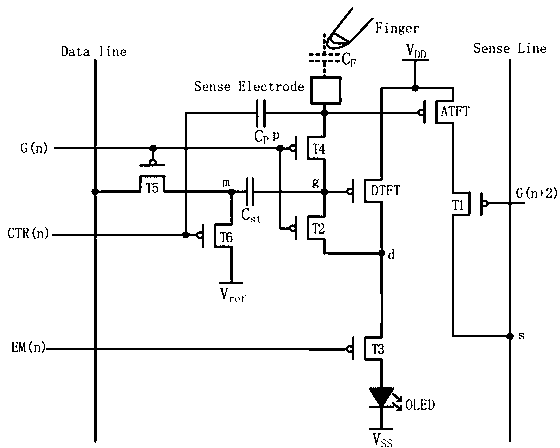
像素电路、像素电路驱动方法及显示装置
授权日:
1900-01-01
公开(公告)号:
CN103208255A
申请日:
2013-04-15
公开(公告)日:
2013-07-17
当前申请(专利权)人:
京东方科技集团股份有限公司 | 成都京东方光电科技有限公司
发明人:
青海刚 | 祁小敬
简单同族:
CN103208255A | CN103208255B | US20150221255A1 | US9466242 | WO2014169537A1
简单同族成员数量:
5
简单同族被引用专利总数:
84
诉讼案件数:
0
法律状态/事件:
授权