首页
专利数据库
产业人才
行业动态
产业政策法规
维权援助
个人中心
登录/注册
详情
文本
图像
标题:
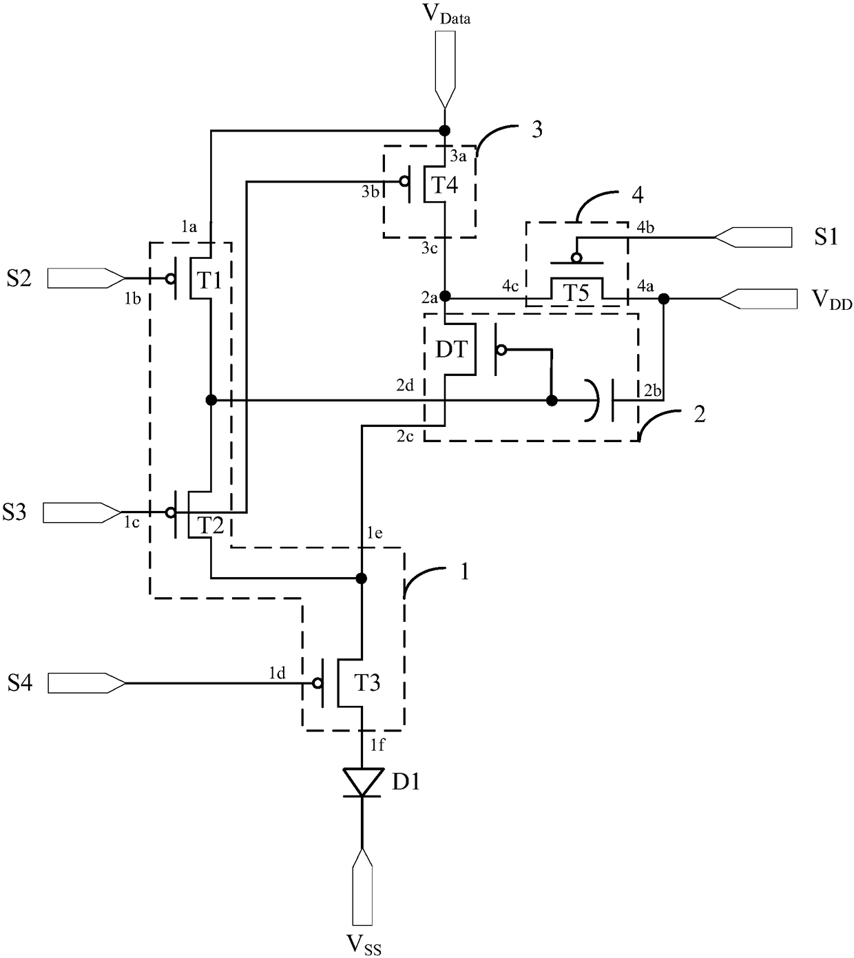
一种像素电路、有机电致发光面板及显示装置
授权日:
1900-01-01
公开(公告)号:
CN108492778A
申请日:
2018-03-02
公开(公告)日:
2018-09-04
当前申请(专利权)人:
昆山国显光电有限公司
发明人:
孙光远 | 张九占 | 吴剑龙 | 胡思明 | 朱晖
简单同族:
CN108492778A
简单同族成员数量:
1
简单同族被引用专利总数:
0
诉讼案件数:
0
法律状态/事件:
实质审查