首页
专利数据库
产业人才
行业动态
产业政策法规
维权援助
个人中心
登录/注册
详情
文本
图像
标题:
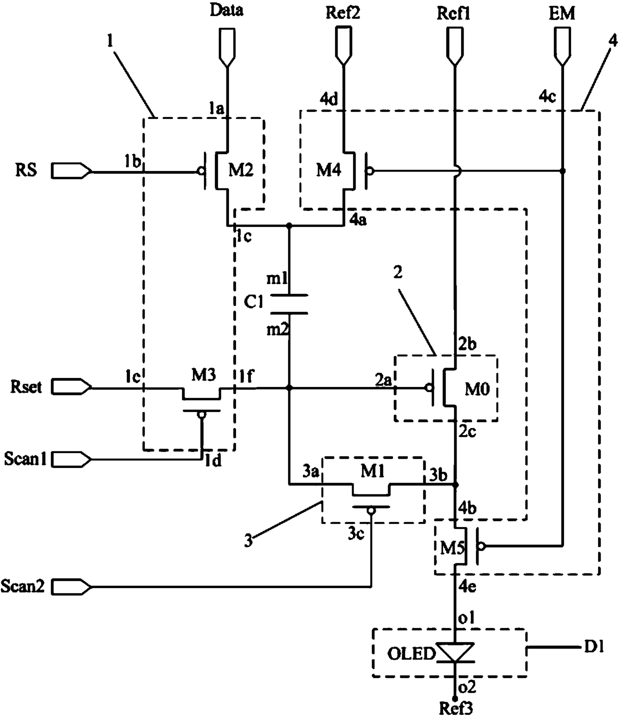
一种像素电路、有机电致发光显示面板及显示装置
授权日:
1900-01-01
公开(公告)号:
CN104050917A
申请日:
2014-06-09
公开(公告)日:
2014-09-17
当前申请(专利权)人:
上海天马有机发光显示技术有限公司 | 天马微电子股份有限公司
发明人:
陈丹 | 钱栋
简单同族:
CN104050917A | CN104050917B | DE102014112680A1 | US20150356924A1 | US20160275866A1 | US9384700 | US9601057
简单同族成员数量:
7
简单同族被引用专利总数:
76
诉讼案件数:
0
法律状态/事件:
授权 | 复审