首页
专利数据库
产业人才
行业动态
产业政策法规
维权援助
个人中心
登录/注册
详情
文本
图像
标题:
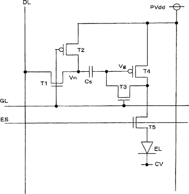
有机EL像素电路
授权日:
2010-03-03
公开(公告)号:
CN100593185C
申请日:
2005-04-12
公开(公告)日:
2010-03-03
当前申请(专利权)人:
三洋电机株式会社
发明人:
池田恭二
简单同族:
CN100593185C | CN1684558A | KR100649513B1 | KR1020060047168A | TW200540774A | TWI297144B | US20050243036A1 | US7339562
简单同族成员数量:
8
简单同族被引用专利总数:
95
诉讼案件数:
0
法律状态/事件:
授权