首页
专利数据库
产业人才
行业动态
产业政策法规
维权援助
个人中心
登录/注册
详情
文本
图像
标题:
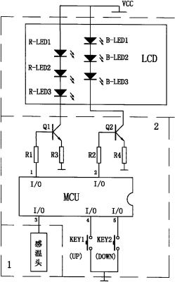
液晶温度显示屏
授权日:
2007-07-18
公开(公告)号:
CN2924578Y
申请日:
2006-06-08
公开(公告)日:
2007-07-18
当前申请(专利权)人:
佛山市顺德区力进钢艺金属制品有限公司
发明人:
黄伟坚
简单同族:
CN2924578Y
简单同族成员数量:
1
简单同族被引用专利总数:
0
诉讼案件数:
0
法律状态/事件:
期限届满