首页
专利数据库
产业人才
行业动态
产业政策法规
维权援助
个人中心
登录/注册
详情
文本
图像
标题:
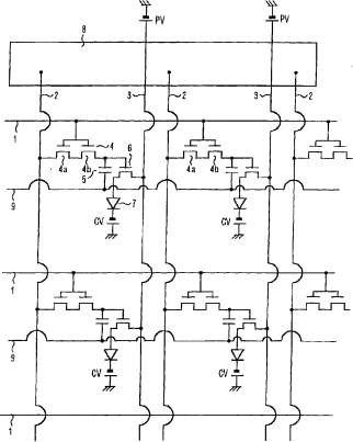
有源矩阵型自发光显示装置和有源矩阵型有机EL显示装置
授权日:
2006-03-01
公开(公告)号:
CN1244085C
申请日:
2001-07-31
公开(公告)日:
2006-03-01
当前申请(专利权)人:
三洋电机株式会社
发明人:
古宫直明
简单同族:
CN1244085C | CN1341915A | DE60123344D1 | DE60123344T2 | EP1178463A2 | EP1178463A3 | EP1178463B1 | JP2002040963A | JP3670941B2 | KR100461482B1 | KR1020020010869A | TW514864B | US20020021096A1 | US6509692
简单同族成员数量:
14
简单同族被引用专利总数:
80
诉讼案件数:
0
法律状态/事件:
授权