首页
专利数据库
产业人才
行业动态
产业政策法规
维权援助
个人中心
登录/注册
详情
文本
图像
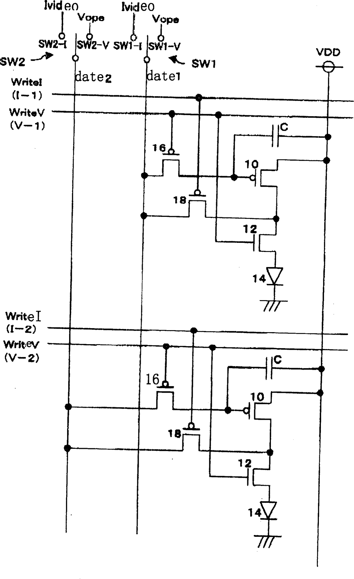
标题:
电致发光显示电路
授权日:
2014-03-12
公开(公告)号:
CN1541033B
申请日:
2004-03-30
公开(公告)日:
2014-03-12
当前申请(专利权)人:
三洋电机株式会社
发明人:
松本昭一郎
简单同族:
CN1541033A | CN1541033B | EP1465146A2 | EP1465146A3 | JP2004318093A | KR100611293B1 | KR1020040088371A | TW200421389A | TW200520600A | TWI233138B | TWI308351B | US20040233141A1 | US7397447
简单同族成员数量:
13
简单同族被引用专利总数:
80
诉讼案件数:
0
法律状态/事件:
授权 | 复审