首页
专利数据库
产业人才
行业动态
产业政策法规
维权援助
个人中心
登录/注册
详情
文本
图像
标题:
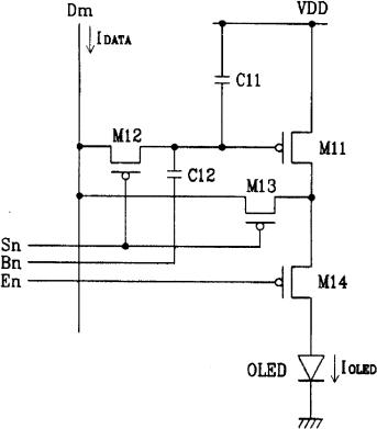
光发射显示器、其驱动方法以及光发射显示板
授权日:
1900-01-01
公开(公告)号:
CN1684132A
申请日:
2004-10-29
公开(公告)日:
2005-10-19
当前申请(专利权)人:
三星显示有限公司
发明人:
申东蓉 | 金禁男 | 柳道亨
简单同族:
CN100399399C | CN1684132A | JP2005134874A | JP5140232B2 | KR100515305B1 | KR1020050041088A | US20050093464A1 | US7129643
简单同族成员数量:
8
简单同族被引用专利总数:
110
诉讼案件数:
0
法律状态/事件:
授权 | 权利转移