首页
专利数据库
产业人才
行业动态
产业政策法规
维权援助
个人中心
登录/注册
详情
文本
图像
标题:
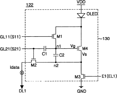
有机发光二极管显示装置及其驱动方法
授权日:
1900-01-01
公开(公告)号:
CN101097680A
申请日:
2006-12-07
公开(公告)日:
2008-01-02
当前申请(专利权)人:
乐金显示有限公司
发明人:
柳俊锡
简单同族:
CN100570689C | CN101097680A | JP2008015451A | JP4477617B2 | KR101202040B1 | KR1020080002011A | US20080001857A1 | US7889160
简单同族成员数量:
8
简单同族被引用专利总数:
74
诉讼案件数:
0
法律状态/事件:
授权