首页
专利数据库
产业人才
行业动态
产业政策法规
维权援助
个人中心
登录/注册
详情
文本
图像
标题:
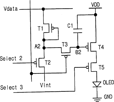
有机发光显示屏
授权日:
1900-01-01
公开(公告)号:
CN1735293A
申请日:
2005-05-25
公开(公告)日:
2006-02-15
当前申请(专利权)人:
乐金显示有限公司
发明人:
许晋
简单同族:
CN100558204C | CN1735293A | JP2006053535A | KR101087417B1 | KR1020060014966A | US20060033449A1 | US7411571
简单同族成员数量:
7
简单同族被引用专利总数:
133
诉讼案件数:
0
法律状态/事件:
授权