首页
专利数据库
产业人才
行业动态
产业政策法规
维权援助
个人中心
登录/注册
详情
文本
图像
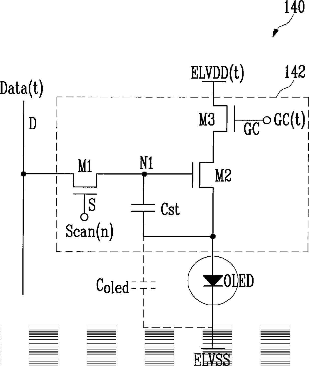
标题:
有机发光显示器及其驱动方法
授权日:
2014-03-12
公开(公告)号:
CN101989404B
申请日:
2010-07-08
公开(公告)日:
2014-03-12
当前申请(专利权)人:
三星显示有限公司
发明人:
李白云
简单同族:
CN101989404A | CN101989404B | EP2284825A1 | EP2284825B1 | EP3059729A1 | EP3059729B1 | JP2011034038A | KR101056281B1 | KR1020110013692A | TW201108184A | TWI435304B | US20110025586A1 | US20160037156A1 | US9183778 | US9693045
简单同族成员数量:
15
简单同族被引用专利总数:
90
诉讼案件数:
0
法律状态/事件:
授权 | 权利转移