首页
专利数据库
产业人才
行业动态
产业政策法规
维权援助
个人中心
登录/注册
详情
文本
图像
标题:
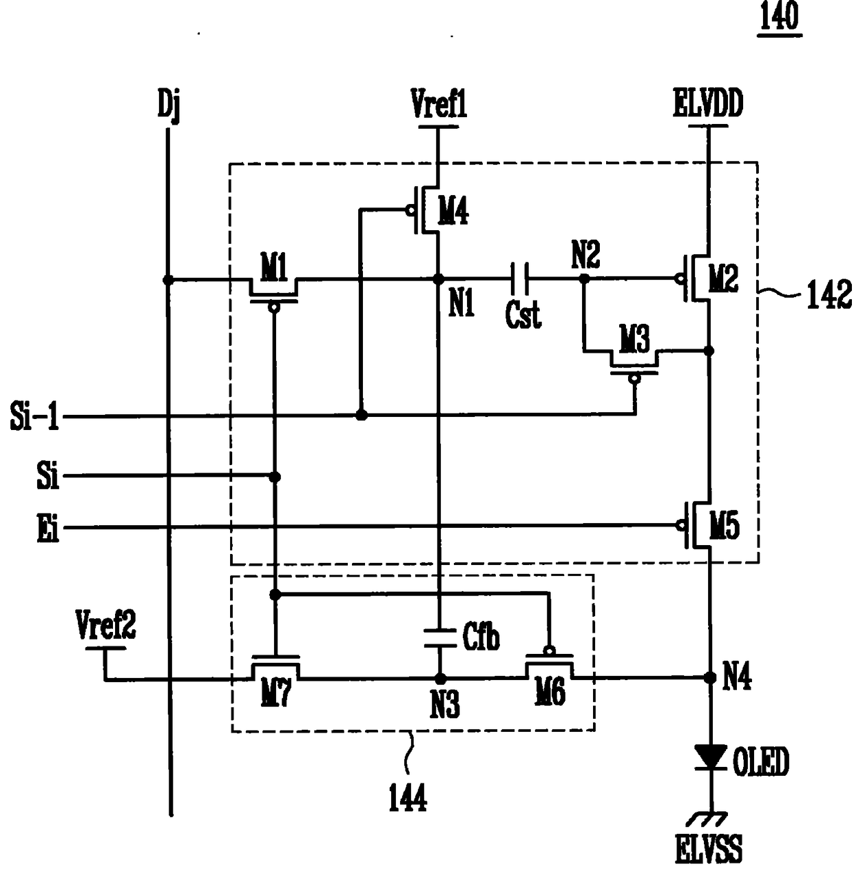
像素、使用该像素的有机发光显示器及其驱动方法
授权日:
2011-10-12
公开(公告)号:
CN101266757B
申请日:
2008-03-14
公开(公告)日:
2011-10-12
当前申请(专利权)人:
三星显示有限公司
发明人:
金阳完
简单同族:
CN101266757A | CN101266757B | EP1970885A1 | JP2008225432A | JP4932601B2 | KR100873076B1 | KR1020080084017A | US20080224965A1 | US8111219
简单同族成员数量:
9
简单同族被引用专利总数:
105
诉讼案件数:
0
法律状态/事件:
授权 | 权利转移