首页
专利数据库
产业人才
行业动态
产业政策法规
维权援助
个人中心
登录/注册
详情
文本
图像
标题:
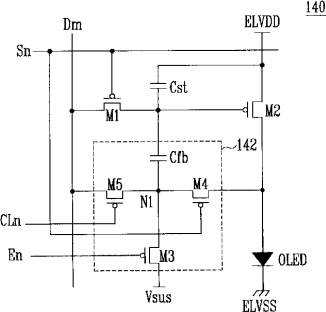
像素及使用该像素的有机发光显示装置
授权日:
1900-01-01
公开(公告)号:
CN101859536A
申请日:
2010-02-11
公开(公告)日:
2010-10-13
当前申请(专利权)人:
三星显示有限公司
发明人:
金阳完 | 崔雄植
简单同族:
CN101859536A | CN101859536B | EP2237254A2 | EP2237254A3 | EP2237254B1 | JP2010244003A | JP5043907B2 | KR101056317B1 | KR1020100110060A | US20100253608A1 | US8599114
简单同族成员数量:
11
简单同族被引用专利总数:
75
诉讼案件数:
0
法律状态/事件:
未缴年费 | 权利转移