首页
专利数据库
产业人才
行业动态
产业政策法规
维权援助
个人中心
登录/注册
详情
文本
图像
标题:
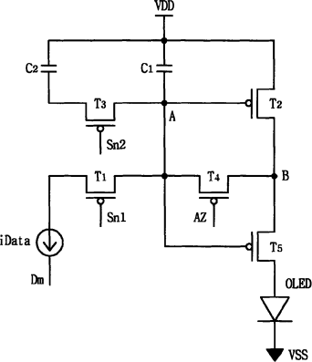
有机发光显示器的像素电路
授权日:
1900-01-01
公开(公告)号:
CN101075407A
申请日:
2006-11-20
公开(公告)日:
2007-11-21
当前申请(专利权)人:
乐金显示有限公司
发明人:
安泰浚 | 郑湘勋
简单同族:
CN100538797C | CN101075407A | JP2007310346A | JP4805796B2 | KR101197768B1 | KR1020070111634A | TW200744036A | TWI354251B | US20070268217A1 | US7839364
简单同族成员数量:
10
简单同族被引用专利总数:
67
诉讼案件数:
0
法律状态/事件:
授权