首页
专利数据库
产业人才
行业动态
产业政策法规
维权援助
个人中心
登录/注册
详情
文本
图像
标题:
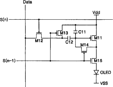
驱动有机场致发光显示器像素的电路和方法
授权日:
1900-01-01
公开(公告)号:
CN1595484A
申请日:
2004-08-11
公开(公告)日:
2005-03-16
当前申请(专利权)人:
三星显示有限公司
发明人:
金禁男
简单同族:
CN100409298C | CN1595484A | KR100514183B1 | KR1020050025510A | US20050052366A1 | US20080136753A1 | US7358938 | US8068073
简单同族成员数量:
8
简单同族被引用专利总数:
112
诉讼案件数:
0
法律状态/事件:
授权 | 权利转移